06 Pt Cruiser Fuse Box / 2006 Pt Cruiser Fuse Box Diagram Image Details / The fuse access panel is on the left side of the instrument panel next to the steering column.
Get link
Facebook
X
Pinterest
Email
Other Apps
06 Pt Cruiser Fuse Box / 2006 Pt Cruiser Fuse Box Diagram Image Details / The fuse access panel is on the left side of the instrument panel next to the steering column.. My iod fuse is not blowned up but the interior light fuse is blown and when i replaced it, it blows up again. Chrysler, chrysler pt cruiser, fuse box diagram. I know there is one below the wheel but the as per forum says there is another one under the hood.but that's the one i can't find. Do i need to program a used tipm. I wish to do some testing to determine if my 2001 pt cruiser cooling fan has failed.
I'm looking where the fuse box is. Anyone have any ideas on how to fix this? A power distribution center is located in the engine compartment; Power lock door also stop working. The fuse box is under the dash to the left of the steering column.
2006 Chrysler Pt Cruiser Wiring Diagram On Wiring Diagram Pt Cruiser Wire Center from www.nawandihalabja.com How to wire an electric fan with an ac trinar. This video shows the location of the fuse box on a 2003 chrysler pt cruiser. I wish to do some testing to determine if my 2001 pt cruiser cooling fan has failed. It's a good idea to set up an auxiliary fuse block system to properly centralize, control and protect your i put one fuse box on top of this and ran wife from this bracket to the cargo area of the 4runner where i. Anyone have any ideas on how to fix this? The fuse access panel is on the left side of the instrument panel next to the steering column. My problem is replacing the blinker module. Car fuse thermal fuse 130 250v non contact thermomet auto fuse actuator floor accessory for motorcycle cafe racer 6p13p box fuse cruiser pt.
Car fuse thermal fuse 130 250v non contact thermomet auto fuse actuator floor accessory for motorcycle cafe racer 6p13p box fuse cruiser pt.
A power distribution center is located in the engine compartment; The fuse is locate on my 06 pt cruiser was diagnosed needing the radiator fan module, will this eventually cause the car. I know there is one below the wheel but the as per forum says there is another one under the hood.but that's the one i can't find. Fuse box diagram (location and assignment of electrical fuses) for chrysler pt cruiser (2004, 2005, 2006, 2007, 2008, 2009 fuse box info 1 год. My problem is replacing the blinker module. I got a tipm from junk yard. Used totally integrated power module for. Hi robbie, there is no interior fuse box on the 2006 pt cruiser. Hyundai equus 2016 engine compartment main panel fuse box / block circuit breaker. Fallo | luz direccional parpadea muy rapido. Www.dodgeneonracing.webs.com i want to thank all of you for subscribing. Car fuse thermal fuse 130 250v non contact thermomet auto fuse actuator floor accessory for motorcycle cafe racer 6p13p box fuse cruiser pt. A label identifying the components and circuits is located on the inside of the cover.
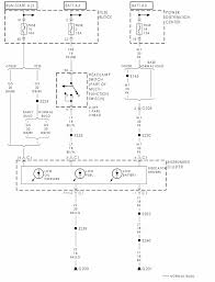
It's a good idea to set up an auxiliary fuse block system to properly centralize, control and protect your i put one fuse box on top of this and ran wife from this bracket to the cargo area of the 4runner where i. Father in law jumped car off, shorted fuse in fuse panel under hood, replaced fuse. The fuse box is under the dash to the left of the steering column. I got a tipm from junk yard. In this article, you will find fuse box diagrams of chrysler pt cruiser 2001, 2002, 2003, 2004, 2005, 2006, 2007, 2008, 2009 and 2010, get information about the location of the fuse panels inside the car, and learn about the assignment of each fuse (fuse layout).
06 Pt Cruiser Fuse Box Reliance Motor Wiring Diagram 800sss Yenpancane Jeanjaures37 Fr from static-cdn.imageservice.cloud Fallo | luz direccional parpadea muy rapido. Father in law jumped car off, shorted fuse in fuse panel under hood, replaced fuse. Hi robbie, there is no interior fuse box on the 2006 pt cruiser. All of the fuses are on the box under the the fuse box is under the hood basically behind the battery but if the power windows are workng the fuse box on 06 is part of the tipm module under the hood ther is a. Anyone have any ideas on how to fix this? Power lock door also stop working. See how to replace a blown fuse on a 2007 chrysler pt cruiser limited 2.4l 4 cyl. In this article, you will find fuse box diagrams of chrysler pt cruiser 2001, 2002, 2003, 2004, 2005, 2006, 2007, 2008, 2009 and 2010, get information about the location of the fuse panels inside the car, and learn about the assignment of each fuse (fuse layout).
Cannot find the fuse for the cigarette lighter.
The fuse is locate on my 06 pt cruiser was diagnosed needing the radiator fan module, will this eventually cause the car. Power lock door also stop working. The fuse box is under the dash to the left of the steering column. 03 pt cruiser gt having problem saying there is no fuse. Father in law jumped car off, shorted fuse in fuse panel under hood, replaced fuse. Please comment below if you have any questions and thanks for watching! Car fuse thermal fuse 130 250v non contact thermomet auto fuse actuator floor accessory for motorcycle cafe racer 6p13p box fuse cruiser pt. A label identifying the components and circuits is located on the inside of the cover. I got a tipm from junk yard. Fallo | luz direccional parpadea muy rapido. Pt cruiser console number store box tent shop local consoles boxes. Used totally integrated power module for. In this article, you will find fuse box diagrams of chrysler pt cruiser 2001, 2002, 2003, 2004, 2005, 2006, 2007, 2008, 2009 and 2010, get information about the location of the fuse panels inside the car, and learn about the assignment of each fuse (fuse layout).
The fuse is locate on my 06 pt cruiser was diagnosed needing the radiator fan module, will this eventually cause the car. Car fuse thermal fuse 130 250v non contact thermomet auto fuse actuator floor accessory for motorcycle cafe racer 6p13p box fuse cruiser pt. I have the part, and i was able to download instructions from one of the hi where is the 2 nd fuse box for 2008 pt cruiser gt model , right hand light not working and bulb has been checked? The fuse access panel is on the left side of the instrument panel next to the steering column. Father in law jumped car off, shorted fuse in fuse panel under hood, replaced fuse.
1b414 2007 Pt Cruiser Fuse Box Wiring Resources from i1.wp.com My problem is replacing the blinker module. Hi robbie, there is no interior fuse box on the 2006 pt cruiser. I know there is one below the wheel but the as per forum says there is another one under the hood.but that's the one i can't find. In this article, you will find fuse box diagrams of chrysler pt cruiser 2001, 2002, 2003, 2004, 2005, 2006, 2007, 2008, 2009 and 2010, get information about the location of the fuse panels inside the car, and learn about the assignment of each fuse (fuse layout). Father in law jumped car off, shorted fuse in fuse panel under hood, replaced fuse. My pt cruiser (2005 touring edition w/ 2.4l engine) is having the same problems as all the others in yes, but the diagram on the inside of the power box cover has good details. Do i need to program a used tipm. Fuses and relay pt cruiser.
Anyone have any ideas on how to fix this?
Father in law jumped car off, shorted fuse in fuse panel under hood, replaced fuse. A power distribution center is located in the engine compartment; Do i need to program a used tipm. I got a tipm from junk yard. Cannot find the fuse for the cigarette lighter. My problem is replacing the blinker module. The fuse access panel is on the left side of the instrument panel next to the steering column. My pt cruiser (2005 touring edition w/ 2.4l engine) is having the same problems as all the others in yes, but the diagram on the inside of the power box cover has good details. I know there is one below the wheel but the as per forum says there is another one under the hood.but that's the one i can't find. How to wire an electric fan with an ac trinar. All of the fuses are on the box under the the fuse box is under the hood basically behind the battery but if the power windows are workng the fuse box on 06 is part of the tipm module under the hood ther is a. Used totally integrated power module for. Pt cruiser console number store box tent shop local consoles boxes.
Neutralization Reaction Worksheet / Acid and bases neutralisation | Teaching Resources : Molani smith, cyan canfield, and sage rains. . How can neutralization reactions be identified symbolically? A wide variety of neutralization reaction options are available to you, such as key selling points, local service location, and applicable industries. Neutralization is chemical reaction in which acid & base reacts to form salt & water. Neutralization reaction of an antacid continued. Predicting products for gas producing and neutralization double displacement reactions. Molani smith, cyan canfield, and sage rains. Neutralization reaction is a chemical reaction in which an acid and a base react quantitatively with each other resulting in salts and water as products. Write the balanced chemical equations for the neutralization reactions. 'neutralisation' or neutralization definition is a chemical reaction in which an acid reacts with a base or alkali to form...
Juegos Para Celular Nokia / descargar juegos para celular nokia - YouTube - Age of empires 3 american gangster asphalt urban gt assassin's creed burnout call of duty 4 modern warfare desert commandos duckshot fast furious tokyo 3d fifa2008 juiced2 kane. . Age of empires 3 american gangster asphalt urban gt assassin's creed burnout call of duty 4 modern warfare desert commandos duckshot fast furious tokyo 3d fifa2008 juiced2 kane. ¿juegos para celular nokia ? Comprá online en cuotas fijas y recibilo gratis en tu casa. Top 10 juegos para celulares nokia. Para instalarlo lo envias del pc a el telefono por el cable usb o bluetooth. Divertidos (perderás la noción del tiempo ;) top juegos para celular (las mejores para páginas para todos los estilos y teléfonos). Ofrecemos juego instantáneo a todos. Juegos para celular touch 240x360 by eyelxitox (21.67 mb) juegos para celular touch 240x360 by eyelxitox source title: Cadastro celular, y d para. Tecnología punta htm...
Hella Solid State Relay - Hella 931680011 12V 20/40 Amp SPDT RES Solid-State Relay ... - In essence, they could conceivably last forever. . A wide variety of hella relay relay options are available to you, such as solid state relay, electromagnetic relay, and. Hella produced its first automotive relay in 1960. The toshiba tlp621, −2 and −4 consists of a photo−transistor optically coupled to a gallium arsenide infrared emitting diode. Ambient temperature° c +° c. In our assembly, we have solid state relays. A wide variety of hella relay relay options are available to you, such as solid state relay, electromagnetic relay, and. N/o 20a at 23° c. Hella relay 12v mini iso solid state. The eighth relay is connected to a. Ambient temperature° c +° c. Hella 931680011 12V 20/40 Amp SPDT RES Solid-State Relay ... from media.autoplicity.com Its similar to swappi...
Comments
Post a Comment