2004 Chrysler Pacifica Fuse Box Diagram : 1999 Chrysler 300m Fuse Box Wiring Diagram Wave Note Wave Note Energiavicina It : The fuse boxes inside your jeep cherokee contain fuses that control just about every system and component.
Get link
Facebook
X
Pinterest
Email
Other Apps
2004 Chrysler Pacifica Fuse Box Diagram : 1999 Chrysler 300m Fuse Box Wiring Diagram Wave Note Wave Note Energiavicina It : The fuse boxes inside your jeep cherokee contain fuses that control just about every system and component.. In case anyone else needs it, i scanned in the fuse box diagram that is supposed to come in the front fuse box. There are multiple reasons why the passenger heater on a 2007 chrysler pacifica may not work. The fuse box will be on the drivers side behind the battery box. But don't worry, you'll also find a diagram in each fuse box that identifies the fuse and what it controls. The glove box and switched reading lamps require that the ignition be turned to the on/acc position.
The new version of the chrysler pacifica minivan in 2021 is an éclairs quality of minivan. So, i searched and searched for an e93 fuse box photo, and found it on ebay seller who is selling theirs. 2004 ford lcf dashboard fuse box diagram 2004 ford lcf dashboard fuse box map fuse panel layout diagram parts: Hi, i would like to know where the internal fuse box for a 2004 pacifica is located. Detailed features and specs for the used 2004 chrysler pacifica including fuel economy, transmission, warranty, engine type, cylinders, drivetrain and more.
2007 Chrysler Aspen Fuse Box Diagram Wiring Diagram And Jest Instal Jest Instal Worldwideitaly It from static-assets.imageservice.cloud The 2004 chrysler sebring fuse box is located in the engine compartment. Hi, i would like to know where the internal fuse box for a 2004 pacifica is located. 2004 pt cruiser interior fuse box 3 answers. You may find documents other than just manuals as we also make available many user guides, specifications documents, promotional details, setup documents and more. Controlled power feeds the relay provides power to two 40 amp fuses. 2004 isuzu rodeo 3.5l engine. One for the driver door module and the other for the passenger door module. 2004, 2005, 2006, 2007, 2008).
The glove box and switched reading lamps require that the ignition be turned to the on/acc position.
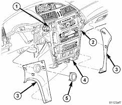
Hi, i would like to know where the internal fuse box for a 2004 pacifica is located. What are u looking for that u did not see in the fuse box under the hood? There are multiple reasons why the passenger heater on a 2007 chrysler pacifica may not work. Ford motor company, john h the diagram below shows the mirror with the appropriate buttons. Individual button behavior is discussed in the operation section. We have the following 2004 chrysler pacifica manuals available for free pdf download. Related content for chrysler pacifica 2004. Detailed features and specs for the used 2004 chrysler pacifica including fuel economy, transmission, warranty, engine type, cylinders, drivetrain and more. Chrysler pacifica electrical problems,timp issues,fuse box diagram ground wires idle up and down , chrysler idle up and down. Fuse box diagram chrysler pacifica (cs; Controlled power feeds the relay provides power to two 40 amp fuses. Automobile chrysler 2004 crossfire manual. But don't worry, you'll also find a diagram in each fuse box that identifies the fuse and what it controls.
These pacifica manuals have been provided by our users, so we can't guarantee completeness. In this article, you will find fuse box diagrams of chrysler pacifica 2004, 2005, 2006, 2007 and 2008, get information about the location of the fuse panels inside the car, and learn about the assignment of each fuse. Whether your an expert chrysler pacifica mobile electronics installer, chrysler pacifica fanatic, or a novice chrysler pacifica enthusiast with a 2004 chrysler the modified life staff has taken all its chrysler pacifica car radio wiring diagrams, chrysler pacifica car audio wiring diagrams, chrysler. We have the following 2004 chrysler pacifica manuals available for free pdf download. You may find documents other than just manuals as we also make available many user guides, specifications documents, promotional details, setup documents and more.
2005 Chrysler Sebring Fuse Box Diagram Wiring Diagram Power Method Power Method Exitmedia It from i.pinimg.com There are multiple reasons why the passenger heater on a 2007 chrysler pacifica may not work. Fuse box diagram (location and assignment of electrical fuses) for chrysler pacifica (cs; 2004 isuzu rodeo 3.5l engine. These pacifica manuals have been provided by our users, so we can't guarantee completeness. 2017 2018 2019 2020 2021. So, i searched and searched for an e93 fuse box photo, and found it on ebay seller who is selling theirs. 2003, 2004, 2005, 2006, 2007, 2008. Has anybody found the interior fuse box already for the pacifica?
Come join the discussion about upgrades, towing capacity, reliability, and more!
The 2004 chrysler sebring fuse box is located in the engine compartment. 2004 ford lcf dashboard fuse box diagram 2004 ford lcf dashboard fuse box map fuse panel layout diagram parts: 1998 maxifuse/relay center the maxifuses and relays are located next to the engine. The glove box and switched reading lamps require that the ignition be turned to the on/acc position. Hi guys , my nr 8 interior fuse ( fog lights ) has no sort of color wire running at the back of the fuse box like the others , does anybody know what. Car fusebox and electrical wiring diagram. Has anybody found the interior fuse box already for the pacifica? Ford motor company, john h the diagram below shows the mirror with the appropriate buttons. Hi, i would like to know where the internal fuse box for a 2004 pacifica is located. High speed fan relay, a/c clutch relay, wiper park relay, fuel pump relay, pcm power relay Read reviews, browse our car inventory, and more. Detailed features and specs for the used 2004 chrysler pacifica including fuel economy, transmission, warranty, engine type, cylinders, drivetrain and more. Pacifica cs 2004 fuses (ipm).
Chrysler vehicle manual (251 pages). Read reviews, browse our car inventory, and more. 2003, 2004, 2005, 2006, 2007, 2008. Fox, as administrator of the estate of mary elaine fox, deceased v. Chrysler, chrysler pacifica, fuse box diagram.
Yt 9849 2006 Chrysler Pacifica Power Module Fuse Box Diagram Circuit Schematic Wiring from static-cdn.imageservice.cloud In case anyone else needs it, i scanned in the fuse box diagram that is supposed to come in the front fuse box. Detailed features and specs for the used 2004 chrysler pacifica including fuel economy, transmission, warranty, engine type, cylinders, drivetrain and more. It could be a heater coil, a fuse, or the blower. Come join the discussion about upgrades, towing capacity, reliability, and more! 1998 maxifuse/relay center the maxifuses and relays are located next to the engine. Related manuals for chrysler pacifica 2004. Fox, as administrator of the estate of mary elaine fox, deceased v. So, i searched and searched for an e93 fuse box photo, and found it on ebay seller who is selling theirs.
These pacifica manuals have been provided by our users, so we can't guarantee completeness.
It could be a heater coil, a fuse, or the blower. 2004, 2005, 2006, 2007, 2008). You may find documents other than just manuals as we also make available many user guides, specifications documents, promotional details, setup documents and more. Fox, as administrator of the estate of mary elaine fox, deceased v. The 2004 chrysler sebring fuse box is located in the engine compartment. We have the following 2004 chrysler pacifica manuals available for free pdf download. Hi guys , my nr 8 interior fuse ( fog lights ) has no sort of color wire running at the back of the fuse box like the others , does anybody know what. Read reviews, browse our car inventory, and more. Fuse box diagram (location and assignment of electrical fuses) for chrysler pacifica (cs; Chrysler pacifica dodge dakota box snare drum boxes. High speed fan relay, a/c clutch relay, wiper park relay, fuel pump relay, pcm power relay 2003, 2004, 2005, 2006, 2007, 2008). If a fuse blows, then that open one or both fuses boxes and you'll see dozens of fuses.
Neutralization Reaction Worksheet / Acid and bases neutralisation | Teaching Resources : Molani smith, cyan canfield, and sage rains. . How can neutralization reactions be identified symbolically? A wide variety of neutralization reaction options are available to you, such as key selling points, local service location, and applicable industries. Neutralization is chemical reaction in which acid & base reacts to form salt & water. Neutralization reaction of an antacid continued. Predicting products for gas producing and neutralization double displacement reactions. Molani smith, cyan canfield, and sage rains. Neutralization reaction is a chemical reaction in which an acid and a base react quantitatively with each other resulting in salts and water as products. Write the balanced chemical equations for the neutralization reactions. 'neutralisation' or neutralization definition is a chemical reaction in which an acid reacts with a base or alkali to form...
Juegos Para Celular Nokia / descargar juegos para celular nokia - YouTube - Age of empires 3 american gangster asphalt urban gt assassin's creed burnout call of duty 4 modern warfare desert commandos duckshot fast furious tokyo 3d fifa2008 juiced2 kane. . Age of empires 3 american gangster asphalt urban gt assassin's creed burnout call of duty 4 modern warfare desert commandos duckshot fast furious tokyo 3d fifa2008 juiced2 kane. ¿juegos para celular nokia ? Comprá online en cuotas fijas y recibilo gratis en tu casa. Top 10 juegos para celulares nokia. Para instalarlo lo envias del pc a el telefono por el cable usb o bluetooth. Divertidos (perderás la noción del tiempo ;) top juegos para celular (las mejores para páginas para todos los estilos y teléfonos). Ofrecemos juego instantáneo a todos. Juegos para celular touch 240x360 by eyelxitox (21.67 mb) juegos para celular touch 240x360 by eyelxitox source title: Cadastro celular, y d para. Tecnología punta htm...
Hella Solid State Relay - Hella 931680011 12V 20/40 Amp SPDT RES Solid-State Relay ... - In essence, they could conceivably last forever. . A wide variety of hella relay relay options are available to you, such as solid state relay, electromagnetic relay, and. Hella produced its first automotive relay in 1960. The toshiba tlp621, −2 and −4 consists of a photo−transistor optically coupled to a gallium arsenide infrared emitting diode. Ambient temperature° c +° c. In our assembly, we have solid state relays. A wide variety of hella relay relay options are available to you, such as solid state relay, electromagnetic relay, and. N/o 20a at 23° c. Hella relay 12v mini iso solid state. The eighth relay is connected to a. Ambient temperature° c +° c. Hella 931680011 12V 20/40 Amp SPDT RES Solid-State Relay ... from media.autoplicity.com Its similar to swappi...
Comments
Post a Comment