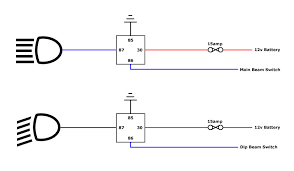
Relay For Headlights / Fungsi Relay Tambahan Pada Lampu Mobil Otomotrip - I would suspect the headlight switch and/or the electrical connection at the headlight switch is faulty.
Get link
Facebook
X
Pinterest
Email
Other Apps
Relay For Headlights / Fungsi Relay Tambahan Pada Lampu Mobil Otomotrip - I would suspect the headlight switch and/or the electrical connection at the headlight switch is faulty.. Price range for all vehicles. If you have an older car or are doing a new wiring job yourself here is a simple circuit that will give you full voltage to your headlights. I have gone to napa and looked online for the 2 relays i will need for my 2 headlight system. May also consider just buying this, as it's already made and it's plug and play as well. My headlight voltage with lights on and jeep running is 12.38 volts on low beam and 12.64 on high beam.
A relay is a switched device that takes the electric load away from the switch and displaces that electrical load. Dual head light relay connection.head light relay. Replacing a headlight switch can be difficult depending on whether is it. When the headlights are turned on power goes to the green light and then to ground via 30/87 on the indicator control relays. If you have an older car or are doing a new wiring job yourself here is a simple circuit that will give you full voltage to your headlights.
What S The Correct Fusing For A Headlight Relay Motor Vehicle Maintenance Repair Stack Exchange from i.stack.imgur.com This product is designed and tested to ensure the ultimate in durability and functionality. If the drl relay is bad, it shouldn't effect the headlights. Switches get a lot of wear and tear, so it�s not unusual for a switch to wear out after many years of service. If you have an older car or are doing a new wiring job yourself here is a simple circuit that will give you full voltage to your headlights. In this video we look at how relays work, why they are a good idea, and how to install them in your vehicle. A relay is a switched device that takes the electric load away from the switch and displaces that electrical load. When the headlights are turned on power goes to the green light and then to ground via 30/87 on the indicator control relays. This is the same concept regardless of what.
Withstand voltage between contact points.
A relay is needed for high amperage electrical devices. Replacing a headlight switch can be difficult depending on whether is it. These are not the same harnesses that others are selling as universal kits. Withstand voltage of insulation level: This is precisely designed by our team and is thoroughly. Headlights,interior lights stop working.checked all fuses. If the headlight relay or module do not receive voltage when the headlight switch is turned on, a bad switch is your problem. Minda 130100 watt headlight relay in alto k10. Switches get a lot of wear and tear, so it�s not unusual for a switch to wear out after many years of service. Withstand voltage between contact points. If the drl relay is bad, it shouldn't effect the headlights. Check here for special coupons and promotions. Dual head light relay connection.head light relay.
When the headlights are on, the moisture clouds the light beam, diffusing. A relay is a switched device that takes the electric load away from the switch and displaces that electrical load. If you have an older car or are doing a new wiring job yourself here is a simple circuit that will give you full voltage to your headlights. A relay is needed for high amperage electrical devices. In this video we look at how relays work, why they are a good idea, and how to install them in your vehicle.
Amazon Com Partsam 1set H4 Headlight Relay Harness Kit For 7x6 5x7 H6054 Headlights Heat Ceramic Wiring Harness Compatible With Pickup Headlights 88 95 Tacoma 95 97 Fix Dual Ground Problem Automotive from m.media-amazon.com These are specifically designed to fix the problems in samurai and toyota pickup headlight upgrades. Most hids are plug & play to the factory headlight plugs. Price range for all vehicles. Switches get a lot of wear and tear, so it�s not unusual for a switch to wear out after many years of service. I want to use micro relays for the headlights, one for low and another for high beams. A relay is a switched device that takes the electric load away from the switch and displaces that electrical load. I don't understand the big difference in the cost of them. I have gone to napa and looked online for the 2 relays i will need for my 2 headlight system.
The green light stays on till both motor relays drop out.
Minda 130100 watt headlight relay in alto k10. This is the same concept regardless of what. You'll run power wires of 14 or 16 ga with a 15a fuse from the battery to the front. Replacing a headlight switch can be difficult depending on whether is it. When the headlights are on, the moisture clouds the light beam, diffusing. Price range for all vehicles. 1,732 headlight control relay products are offered for sale by suppliers on alibaba.com, of which relays accounts for 2%. If you have an older car or are doing a new wiring job yourself here is a simple circuit that will give you full voltage to your headlights. In many older cars, or cars where you have replaced the headlights with higher power bulbs you run the risk of over loading the wiring as the. May also consider just buying this, as it's already made and it's plug and play as well. Dual head light relay connection.head light relay. This is actually a little easier to check yourself in a lot of situations since there's a chance that multiple circuits may use the exact same type of relay. 25% off 12v 12w motorcycle led headlights 1200lm spotlights super bright fog spot lamp waterproof auxiliary driving lights headlamp with on off switch 9 reviews cod.
A relay is a switched device that takes the electric load away from the switch and displaces that electrical load. Car headlight relay wiring harness instillation. If you have an older car or are doing a new wiring job yourself here is a simple circuit that will give you full voltage to your headlights. This is precisely designed by our team and is thoroughly. Car headlight relay wiring harness our range of car headlight relay is made using quality components procured from reliable vendors.
How To Build A Diy Four Light Headlight Relay Harness For 30 Episode 229 Autorestomod Youtube from i.ytimg.com When the headlights are on, the moisture clouds the light beam, diffusing. May also consider just buying this, as it's already made and it's plug and play as well. Replacing a headlight switch can be difficult depending on whether is it. A relay is needed for high amperage electrical devices. Your order may be eligible for ship to home, and shipping is free on all online orders of $35.00+. A relay is a switched device that takes the electric load away from the switch and displaces that electrical load. Most hids are plug & play to the factory headlight plugs. The green light stays on till both motor relays drop out.
Price range for all vehicles.
Minda 130100 watt headlight relay in alto k10. Most hids are plug & play to the factory headlight plugs. I have gone to napa and looked online for the 2 relays i will need for my 2 headlight system. When the headlights are on, the moisture clouds the light beam, diffusing. You'll run power wires of 14 or 16 ga with a 15a fuse from the battery to the front. If a bad headlight relay is a reason that your headlights won't turn off, then the fix there is also to just replace the relay. The green light stays on till both motor relays drop out. All relays, including your headlight closure relay, are used to keep high amperage and voltage systems away from the driver as a safety measure. Check here for special coupons and promotions. A relay is a switched device that takes the electric load away from the switch and displaces that electrical load. In many older cars, or cars where you have replaced the headlights with higher power bulbs you run the risk of over loading the wiring as the. Buy the best and latest headlight relay for motorcycle on banggood.com offer the quality headlight 749 руб. Headlight closure relay replacement cost.
Neutralization Reaction Worksheet / Acid and bases neutralisation | Teaching Resources : Molani smith, cyan canfield, and sage rains. . How can neutralization reactions be identified symbolically? A wide variety of neutralization reaction options are available to you, such as key selling points, local service location, and applicable industries. Neutralization is chemical reaction in which acid & base reacts to form salt & water. Neutralization reaction of an antacid continued. Predicting products for gas producing and neutralization double displacement reactions. Molani smith, cyan canfield, and sage rains. Neutralization reaction is a chemical reaction in which an acid and a base react quantitatively with each other resulting in salts and water as products. Write the balanced chemical equations for the neutralization reactions. 'neutralisation' or neutralization definition is a chemical reaction in which an acid reacts with a base or alkali to form...
Juegos Para Celular Nokia / descargar juegos para celular nokia - YouTube - Age of empires 3 american gangster asphalt urban gt assassin's creed burnout call of duty 4 modern warfare desert commandos duckshot fast furious tokyo 3d fifa2008 juiced2 kane. . Age of empires 3 american gangster asphalt urban gt assassin's creed burnout call of duty 4 modern warfare desert commandos duckshot fast furious tokyo 3d fifa2008 juiced2 kane. ¿juegos para celular nokia ? Comprá online en cuotas fijas y recibilo gratis en tu casa. Top 10 juegos para celulares nokia. Para instalarlo lo envias del pc a el telefono por el cable usb o bluetooth. Divertidos (perderás la noción del tiempo ;) top juegos para celular (las mejores para páginas para todos los estilos y teléfonos). Ofrecemos juego instantáneo a todos. Juegos para celular touch 240x360 by eyelxitox (21.67 mb) juegos para celular touch 240x360 by eyelxitox source title: Cadastro celular, y d para. Tecnología punta htm...
Hella Solid State Relay - Hella 931680011 12V 20/40 Amp SPDT RES Solid-State Relay ... - In essence, they could conceivably last forever. . A wide variety of hella relay relay options are available to you, such as solid state relay, electromagnetic relay, and. Hella produced its first automotive relay in 1960. The toshiba tlp621, −2 and −4 consists of a photo−transistor optically coupled to a gallium arsenide infrared emitting diode. Ambient temperature° c +° c. In our assembly, we have solid state relays. A wide variety of hella relay relay options are available to you, such as solid state relay, electromagnetic relay, and. N/o 20a at 23° c. Hella relay 12v mini iso solid state. The eighth relay is connected to a. Ambient temperature° c +° c. Hella 931680011 12V 20/40 Amp SPDT RES Solid-State Relay ... from media.autoplicity.com Its similar to swappi...
Comments
Post a Comment